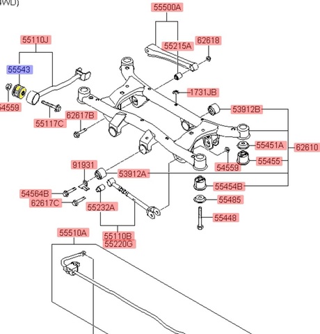
САЙЛЕНТБЛОК РЫЧАГА ЗАДНЕГО ПРОДОЛЬНОГО TUCSON JM, SPORTAGE KM ПЕРЕДНИЙ HS TECH, CAR-DEX (РЕЗИНОВЫЙ)

В наличии: 8 шт.
В наличии
551162E000
Описание

Сайлентблок рычага задней подвески продольного Hyundai Tucson I (2004-2009, кузов JM) Kia Sportage II (2004-2009, кузов KM). Подходит для передне и полноприводных автомобилей. Неоригинал, Корея.

Характеристики
Производитель HS TECH
Применяемость Hyundai Tucson I JM, Kia Sportage II KM
Отзывы
Перед публикацией отзывы проходят модерацию